Skip to main content Skip to search Skip to navigation

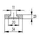
Airline lashing rail aluminum L 2998 mm drilled, W 34 mm, H 9.6 mm

Airline lashing rails Alu L 2998 mm

Type 
$ 150.36
excl. 0% VAT , plus shipping costs